服務熱線:15195518515在線客服:1464856260
傳真號碼:0517-86801009
郵箱號碼:1464856260@qq.com
網 址:http://www.bjjtws.cn
地 址:江蘇省金湖縣理士大道61號
壓力變送器基本介紹
一般意義上的壓力變送器主要由測壓元件傳感器(也稱作壓力傳感器)、測量電路和過程連接件三部分組成。它能將測壓元件傳感器感受到的氣體、液體等物理壓力參數轉變成標準的電信號(如4~20mADC等), 以供給指示報警儀、記錄儀、調節器等二次儀表進行測量、指示和過程調節。
壓力變送器根據測量范圍可分成一般壓力變送器(0.001MPa~35MPa)和微差壓變送器(0~1.5kPa),負壓變送器三種;從精度角度來分類的話,因為我國國標的精度就為0.5%. 所以近年來又可以分為高精度壓力變送器(0.1%或0.2%或0.075%)和一般壓力變送器(0.5%)。
壓力變送器根據傳感器種類,可分為電容式壓力變送器、擴散硅壓力變送器、單晶硅壓力變送器。
壓力變送器工作原理
壓力變送器感受壓力的電器元件一般為電阻應變片,電阻應變片是一種將被測件上的壓力轉換成為一種電信號的敏感器件。電阻應變片應用*多的是金屬電阻應變片和半導體應變片兩種。金屬電阻應變片又有絲狀應變片和金屬箔狀應變片兩種。通常是將應變片通過特殊的黏合劑緊密地粘合在產生力學應變基體上,當基體受力發生應力變化時,電阻應變片也一起產生形變,使應變片的阻值發生改變,從而使加在電阻上的電壓發生變化。
壓力變送器主要性能
1、使用被測介質廣泛,可測油、水及與316不銹鋼和304不銹鋼兼容的糊狀物,具有一定的防腐能力;
2、高準確度、高穩定性、選用進口原裝傳感器,線性好,溫度穩定性高;
3、體積小、重量輕、安裝、調試、使用方便;
4、不銹鋼全封閉外殼,防水好;
5、壓力傳感器直接感測被測液位壓力,不受介質起泡、沉積的影響。
壓力變送器主要優點
1、壓力變送器具有工作可靠、性能穩定等特點;
2、專用V/I集成電路,外圍器件少,可靠性高,維護簡單、輕松,體積小、重量輕,安裝調試*為方便;
3、鋁合金壓鑄外殼,三端隔離,靜電噴塑保護層,堅固耐用;
4、4-20mA DC二線制信號傳送,抗干擾能力強,傳輸距離遠;
5、LED、LCD、指針三種指示表頭,現場讀數十分方便。可用于測量粘稠、結晶和腐蝕性介質;
6、高準確度,高穩定性。除進口原裝傳感器已用激光修正外,對整機在使用溫度范圍內的綜合性溫度漂移、非線性進行精細補償。
壓力變送器產品參數
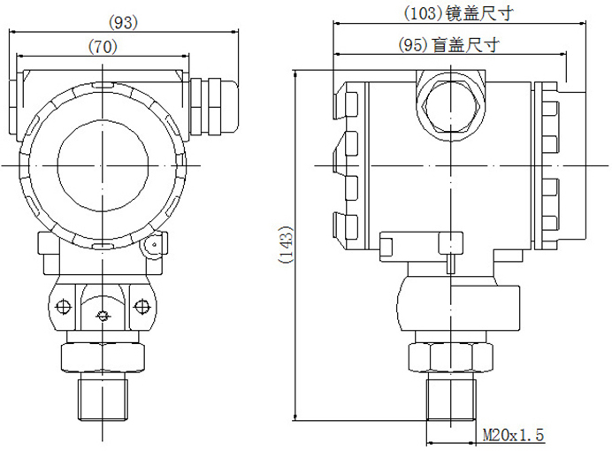
壓力變送器尺寸
壓力變送器接線
壓力變送器選型規則
1.根據要測量壓力的類型
壓力類型主要有表壓、絕壓、差壓等。表壓是指以大氣為基準,小于或大于大氣壓的壓力;絕壓是指以絕對壓力零位為基準,高于絕對壓力;差壓是指兩個壓力之間的差值。
2.根據被測壓力量程
一般情況下,按實際測量壓力為測量范圍的80%選取。
要考慮系統的*大壓力。一般來說,壓力變送器器壓力范圍*大值應該達到系統*大壓力值的1.5倍。一些水壓和過程控制,有壓力尖峰或者連續的脈沖。這些尖峰可能會達到“*大”壓力的5倍甚至10倍,可能造成變送器的損壞。連續的高壓脈沖,接近或者超過變送器的*大額定壓力,會縮短變送器的實用壽命。但提高變送器額定壓力會犧牲變送器的分辨率。可以在系統中使用緩沖器來減弱尖峰,這會降低傳感器的響應速度。
壓力變送器一般設計成能在2億個周期中承受*大壓力而不會降低性能。在選擇變送器時可在系統性能與變送器壽命之間找到一個折中的解決方案。
3.根據被測介質
按測量介質的不同,可分為干燥氣體、氣體液體、強腐蝕性液體、黏稠液體、高溫氣體液體等,根據不同的介質正確選型,有利于延長變送器的使用壽命。
4.根據系統的*大過載
系統的*大過載應小于變送器的過載保護*限,否則會影響變送器的使用壽命甚至損壞變送器。通常壓力變送器的安全過載壓力為滿量程的2倍。
5.根據需要的準確度等級
變送器的測量誤差按準確度等級進行劃分,不同的準確度對應不同的基本誤差限(以滿量程輸出的百分數表示)。實際應用中,根據測量誤差的控制要求并本著使用經濟的原則進行選擇。
6.根據系統工作溫度范圍
測量介質溫度應處于變送器工作溫度范圍內,如超溫使用,將會產生較大的測量誤差并影響變送器的使用壽命;在壓力變送器的生產過程中,會對溫度影響進行測量和補償,以確保其受溫度影響產生的測量誤差處于準確度等級要求的范圍內。在溫度較高的場合,可以考慮選擇高溫型壓力變送器或采取安裝冷凝管、散熱器等輔助降溫措施。
7.根據測量介質與接觸材質的兼容性
在某些測量場合,測量介質具有腐蝕性,此時需選用與測量介質兼容的材料或進行特殊的工藝處理,確保變送器不被損壞。
8.根據壓力接口形式
通常以螺紋連接(M20×1.5)為標準接口形式。
9.根據供電電源和輸出信號
通常壓力變送器采用直流電源供電,提供多種輸出信號選擇,包括4~20mA.DC;、0~5V.DC、1~5V.DC、0~10mA.DC等,可以有232或485數字輸出。
10.根據現場工作環境情況及其他
是否存在振動及電磁干擾等,選型時應提供相關信息,以便采取相應處理。在選型時,其他如電氣連接方式等也可以根據具體情況予以考慮。
壓力變送器安裝說明
在安裝使用壓力變送器前應詳細閱讀產品樣本及使用說明書,安裝時壓力接口不能泄露,確保量程及接線正確。壓力傳感器及變送器的外殼一般需接地,信號電纜線不得與動力電纜混合鋪設,傳感器及變送器周圍應避免有強電磁干擾。
壓力變送器使用說明
日常維護
1、檢查安裝孔的尺寸:如果安裝孔的尺寸不合適,傳感器在安裝過程中,其螺紋部分就很容易受到磨損。這不僅會影響設備的密封性能,而且使壓力傳感器不能充分發揮作用,甚至還可能產生安全隱患。只有合適的安裝孔才能夠避免螺紋的磨損(螺紋工業標準1/2-20 UNF 2B),通常可以采用安裝孔測量儀對安裝孔進行檢測,以做出適當的調整。
2、保持安裝孔的清潔:保持安裝孔的清潔并防止熔料堵塞對保證設備的正常運行來說十分重要。在擠出機被清潔之前,所有的壓力傳感器都應該從機筒上拆除以避免損壞。在拆除傳感器時,熔料有可能流入到安裝孔中并硬化,如果這些殘余的熔料沒有被去除,當再次安裝傳感器時就可能造成其頂部受損。清潔工具包能夠將這些熔料殘余物去除。然而,重復的清潔過程有可能加深安裝孔對傳感器造成的損壞。如果這種情況發生,就應當采取措施來升高傳感器在安裝孔中的位置。
3、選擇恰當的位置:當壓力傳感器的安裝位置太靠近生產線的上游時,未熔融的物料可能會磨損傳感器的頂部;如果傳感器被安裝在太靠后的位置,在傳感器和螺桿行程之間可能會產生熔融物料的停滯區,熔料在那里有可能產生降解,壓力信號也可能傳遞失真;如果傳感器過于深入機筒,螺桿有可能在旋轉過程中觸碰到傳感器的頂部而造成其損壞。一般來說,傳感器可以位于濾網前面的機筒上、熔體泵的前后或者模具中。
4、仔細清潔;在使用鋼絲刷或者特殊化合物對擠出機機筒進行清潔前,應該將所有的傳感器都拆卸下來。因為這兩種清潔方式都可能會造成傳感器的震動膜受損。當機筒被加熱時,也應該將傳感器拆卸下來并使用不會產生磨損的軟布來擦拭其頂部,同時傳感器的孔洞也需要用清潔的鉆孔機和導套清理干凈。
正確使用
壓力傳感器使用過程應注意考慮下列情況:
1、防止變送器與腐蝕性或過熱的介質接觸;
2、防止渣滓在導管內沉積;
3、測量液體壓力時,取壓口應開在流程管道側面,以避免沉淀積渣;
4、測量氣體壓力時,取壓口應開在流程管道頂端,并且變送器也應安裝在流程管道上部,以便積累的液體容易注入流程管道中;
5、導壓管應安裝在溫度波動小的地方;
6、測量蒸汽或其它高溫介質時,需接加緩沖管(盤管)等冷凝器,不應使變送器的工作溫度超過*限;
7、冬季發生冰凍時,安裝在室外的變送器必需采取防凍措施,避免引壓口內的液體因結冰體積膨脹,導至傳感器損壞;
8、測量液體壓力時,變送器的安裝位置應避免液體的沖擊(水錘現象),以免傳感器過壓損壞;
9、接線時,將電纜穿過防水接頭(附件)或繞性管并擰緊密封螺帽,以防雨水等通過電纜滲漏進變送器殼體內。


































|