服務熱線:15195518515在線客服:1464856260
傳真號碼:0517-86801009
郵箱號碼:1464856260@qq.com
網 址:http://www.bjjtws.cn
地 址:江蘇省金湖縣理士大道61號
分析精密二氯甲烷液位計與自動數據采集系統率定法
摘要:測量和監測設備經過一段時間的使用后,需要對設備進行重新率定,經率定合格后,方可重復使用。筆者所在單位大量使用 自動靜力水準儀,以前都通過廠家進行率定,周期長,效率低,無法滿足工程實際需要,因此單位探索和建立了一套自有的率定系統,滿足了自我設備率定的基本要求。需要注意的是,這樣的實驗室需要申請計量合格證,才能標準化和商用化,本文僅僅是從技術角度探討這種方法的可行性。
在沉降自動化監測中,靜力水準系統憑借優良的性能,測量范圍廣而深受用戶好評,因此,在*早用于大壩監測后,很快在巖土監測領域獨 領風騷。作者在多年的工作中,在振弦式靜力水準系統應用上,積累了大量的經驗,也對設備的原理和適用環境有了深刻的認識。面對大量的二 次使用設備,必須經過率定才能重復安裝和使用,作者深入儀器生產廠商,學習和借鑒率定技術,摸索和提出了一套自己的率定方法,不足之處,歡迎各位同行批評和指正。文中以美國基康 GK4675 型靜力水準儀作為實例。
1 設備原理
靜力水準儀依據連通管的原理,采用振弦式傳感器,測量每個測點 容器內液面的相對變化,再通過計算公式求得相對于基準點的沉降量,如圖 1 所示。

系統中任一特定容器(儲液筒)液位變化按下列公式計算:
△ELn=(R1n-R0n)Gn-(R0Ref-R1Ref)GRef
其中:
△ELn---n 號容器的液位變化,即該點相對于基準點的沉降量;
R1n---n 號容器當前讀數;
R0n---n 號容器初始讀數;
Gn---n 號容器傳感器系數;
R0Ref---參照容器的初始讀數;
R1Ref---參照容器的當前讀數;
GRef---參照容器傳感器系數;
注:△ELx 為負值時表示沉降(△ELx 為正值時表示升高)。
2 設備特點和性能
GeoKon 4675 型靜力水準儀是一種高精密液位系統,該系統設計是 用于測量多點相對沉降的系統。在使用中,一系列的傳感器容器均采用PVC 液管聯接,每一容器的液位由一精密振弦式力傳感器測出,該傳感 器內有一個自由懸重,一旦液位發生變化,懸重的懸應浮力即被傳感器感,精確測出小至 0.025mm 的垂直變化。在多點系統中,所有傳感器的垂 直位移均是相對于其中的一點,該點的垂直位移是相對恒定的或者可用其它人工觀測手段準來確定。

3 產品規格
產品規格詳細情況如圖 2 所示。

4 率定方法
4.1 簡易率定法

因為振弦式傳感器,*重要的核心就是弦,從基本原理入手,采用加 載砝碼的方法進行率定,每個砝碼固定重量為 300g,*多添加砝碼個數 為 6 個,總量可達 1800g。砝碼較多時,需要很長時間穩定。為了提高系統 穩定性,減少系統穩定時間,因此對簡易校驗裝置進行改進,如圖 4、圖 5所示。

采用一根鋼制桿下端連接一個砝碼,砝碼重量必須為 300g,每個砝 碼采用懸掛式方式加入,每增加一個砝碼,讀數一次。簡易率定法速度很 慢,效率*低,無法適用于大批量設備的率定。
4.2 二氯甲烷液位計率定法

此種裝置,精度高,速度快,但是需要通過人工來調節精密齒輪,來抬升或者降低測點的高度,此外讀數也是通過讀數儀來完成,而且每次 只能率定一個儀器,也不適用于大批量設備的率定。
4.3 精密二氯甲烷液位計與自動數據采集系統率定法
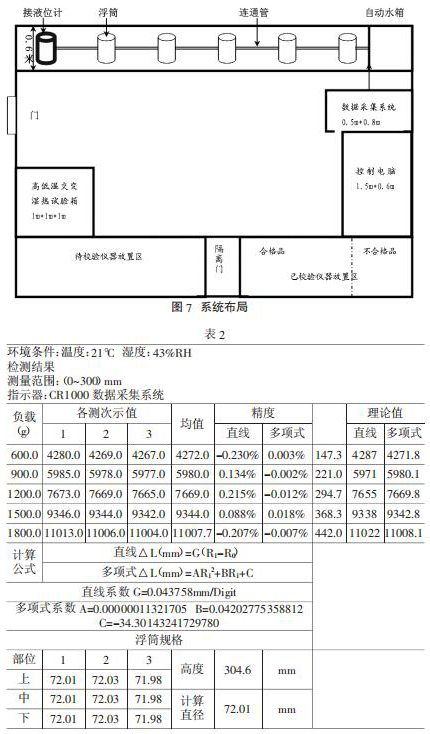
為了在建設費用和和校驗效率兩個方面取得平衡,根據需要校驗的 儀器數量綜合分析,建議一次率定 5 個設備。同時進行溫度校驗。 采用連通管原理,設置 5 個監測點,1 個基準點,基準點放置高精度二氯甲烷液位計,6 個底座放置在同一個穩定的平臺上,平臺采用大理石面板,寬 度為 0.6m,長度為 6m,高度為 1m,基礎采用磚石砌成,每個監測點均有 一個完全相同的透明式玻璃鋼浮筒,每個浮筒帶有一個三通接口,每個 容器之間采用 PVC 管進行連通,布局示意圖如圖 7 所示。
在本率定系統中,采用磁致伸縮式高精度二氯甲烷液位計,精度為±0.01mm。采用高低溫交變濕熱試驗箱進行溫度傳感器率定。數據采集系統為美國坎貝爾 CR1000 自動數據采集系統,通過控制電腦,將設定好的頻率裝載入采集系統,自動加水和放水以及數據采集,同時數據自動保存和計算。
5 率定系數計算方法
計算方法如表 2 所示。
其中:
均值=average(測值 1+測值 2+測值 3)

理論直線=Trend(所有均值,所有負載值)
6 實際應用
經過一年左右的運行和試驗,從春天到冬天,對本套裝置進行了大量和反復的測試,率定裝置運行穩定,高效,同時采用簡易裝置和人工讀 數的方法進行驗證,率定結果都正確無誤,采用高精度二氯甲烷液位計,也提升了率定精度,對于批量設備率定,是一種經濟和有效的率定方法。



|